Technical requirementsMin. pressure: 0.15Mpa Max. pressure: 1.0Mpa Working temperature: <65ºC Tank thickness: 4/6/8mm Power: 220V/110V/battery Working princinpleThe Filtering ProcessFiltering with media filters, also known as depth filtration, is done by filtering water through a thic......
Technical requirements
Min. pressure: 0.15Mpa
Max. pressure: 1.0Mpa
Working temperature: <65ºC
Tank thickness: 4/6/8mm
Power: 220V/110V/battery
Working princinple
The Filtering Process
Filtering with media filters, also known as depth filtration, is done by filtering water through a thick layer of graded particles, called the filter bed. These particles can be sand, gravel or other granular materials. The filtration degree depends on the effective size of the bedding and the water velocity through the filter.
Raw water enters from the filter inlet (1) and percolates through the filter bed (2). Suspended materials come into contact and attach to the media particles. Clean water flows through the filtration nozzles (3) and out of the filter via the outlet valve (4).
The gradual dirt buildup in the filter bed causes an increase in the pressure differential across the filter and when it reaches its maximum design value, a cleaning process should be performed. In automatic media filter installations a pressure differential switch senses the pressure differential and when it reaches a preset value, the self cleaning process begins.

The Cleaning Process
Cleaning is done by backwashing; pressurized water flows in reverse direction - from the nozzles upwards, causing suspension of the filter bed, thus releasing the suspended matter from the bedding. The dirt particles are then washed out of the filter through the back-flush valve. In automatic media filters installations the cleaning process is done by the system's controller. When the pressure differential switch senses that the differential pressure across the system reached a pre-set value, a signal is sent to the flushing controller and the self cleaning process begins.

Sand filter specification sheet table
| Model | Vessels QTY | Max.flow (agri.) | Max.flow (indus.) | Min. pressure | Max. pressure | Backwashing flow | Water in/out (mm/inch) |
| DMF24-2-A | 2 | 30 | 22 | 0.2 | 1.0 | 15 | 80 / 3 |
| DMF24-3-A | 3 | 45 | 33 | 0.2 | 1.0 | 19 | 80 / 3 |
| DMF28-2-A | 2 | 60 | 30 | 0.2 | 1.0 | 30 | 100 / 4 |
| DMF28-3-A | 3 | 90 | 45 | 0.2 | 1.0 | 50 | 100 / 4 |
| DMF32-2-A | 2 | 75 | 40 | 0.2 | 1.0 | 35 | 100 / 4 |
| DMF32-3-A | 3 | 115 | 60 | 0.2 | 1.0 | 50 | 150 / 6 |
| DMF36-2-A | 2 | 80 | 70 | 0.2 | 1.0 | 40 | 100 / 4 |
| DMF36-3-A | 3 | 120 | 105 | 0.2 | 1.0 | 50 | 150 / 6 |
| DMF48-2-A | 2 | 160 | 100 | 0.2 | 1.0 | 80 | 150 / 6 |
| DMF48-3-A | 3 | 240 | 150 | 0.2 | 1.0 | 80 | 200 / 8 |
The flow is different when used for agricultral and industrial
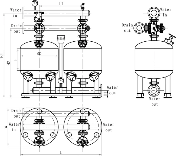
Multi vessels auto sand filter dimensions

| Model | D | L | W | H1 | H2 | H3 | h (agri.) | h (Indus.) |
| DMF24-2-A | 600 | 1330 | 630 | 130 | 1215 | 1450 | 400 | 600 |
| DMF24-3-A | 600 | 2030 | 630 | 130 | 1215 | 1450 | 400 | 600 |
| DMF28-2-A | 700 | 1520 | 720 | 140 | 1305 | 1580 | 400 | 600 |
| DMF28-3-A | 700 | 2320 | 720 | 140 | 1305 | 1580 | 400 | 600 |
| DMF32-2-A | 800 | 1720 | 820 | 140 | 1345 | 1620 | 400 | 600 |
| DMF32-3-A | 800 | 2620 | 820 | 170 | 1395 | 1695 | 400 | 600 |
| DMF36-2-A | 900 | 1920 | 920 | 140 | 1385 | 1660 | 400 | 600 |
| DMF36-3-A | 900 | 2920 | 920 | 170 | 1440 | 1740 | 400 | 600 |
| DMF48-2-A | 1200 | 2620 | 1220 | 170 | 1593 | 1925 | 400 | 600 |
| DMF48-3-A | 1200 | 4020 | 1220 | 200 | 1648 | 2005 | 400 | 600 |


FRP Vessel 1652 Model with 2.5" or 4" Top Opening for Water Treatment
FRP Vessel 1665model with 2.5" or 4" Top Opening for Water Treatment
1252 FRP Fiber Glass Tank for RO Water System
2021 Best Seller Vessel 1248/ 1252 / 1254/ 1265 FRP Pressure Vessel/ Tank Water Softer.
Water Treatment Filter FRP Vessel Manufacture in China
2021 Best Seller FRP/ GRP Pressure Vessel/ Storage Tank. OEM/ODM Available.