Home > Products > Oil Filter > Viking Vacuum Oil Filtration System for Oil Recycling
              Viking Vacuum Oil Filtration System for Oil Recycling
              • Viking Vacuum Oil Filtration System for Oil RecyclingViking Vacuum Oil Filtration System for Oil Recycling
              • Viking Vacuum Oil Filtration System for Oil RecyclingViking Vacuum Oil Filtration System for Oil Recycling

              Viking Vacuum Oil Filtration System for Oil Recycling

              VKVP mobile oil purifier can remove water, contaminative particles and air in hydraulic and lubricating oil with various viscosities.The power supply parameters shown on the name plate include the voltage rating of the pump motor. Part of the control voltage is DC 20V. Functions :Water: 100% free wa......

              Send Inquiry

              Product Description

              VKVP mobile oil purifier can remove water, contaminative particles and air in hydraulic and lubricating oil with various viscosities.The power supply parameters shown on the name plate include the voltage rating of the pump motor. Part of the control voltage is DC 20V.
               
              Viking Vacuum Oil Filtration System for Oil Recycling
              Viking Vacuum Oil Filtration System for Oil Recycling
              Viking Vacuum Oil Filtration System for Oil Recycling


              Functions :
              Water: 100% free water and 90% dissolved water.
              Gas: 100% free air, related to operating vacuum setting.
              Pollutants: sediment and contaminative particles

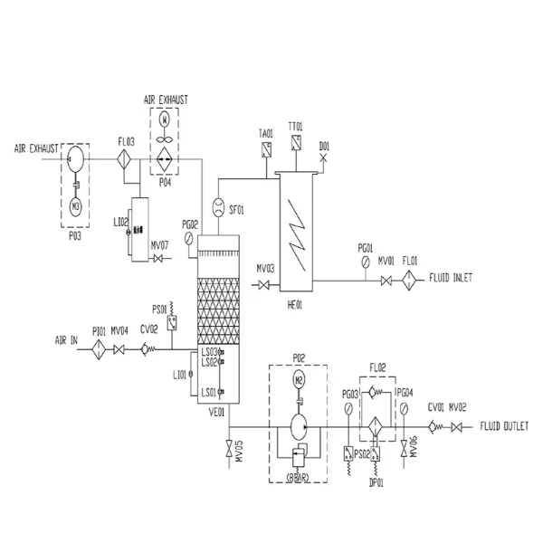
              Schematic diagram of equipment:

              Viking Vacuum Oil Filtration System for Oil Recycling
              The contaminated oil is extracted out of the oil system by inlet pump P01 through inlet isolation valve MV01 and oil suction filter FL01.When the vacuum degree of the pump inlet reaches - 0.8bar (the inlet filter is blocked or the inlet valve is not opened), the pump should be shut down and checked to be normal before starting.Under normal conditions, the oil enters the upper part of the vacuum vessel through the heating tank HE01 and the view window SF01, and ejects through the nozzle, forming a stable oil film in the vacuum tank.

              The oil falls into the bottom of the container due to gravity, the air and water vapor are discharged through the top of the container.In order to maintain a stable vacuum, the air in the container is extracted by vacuum pump P03, and the external air enters the container after being filtered by the air filter pi01.Air with low relative humidity and polluted oil flow form a large area of oil film cross flow.

              Because the vapor pressure in the polluted oil film is much higher than that in the air, a large amount of water in the oil is evaporated
              .


              Vacuum pump P03 produces stable vacuum degree in the container, thus obtaining air with low relative humidity.

              When the external air is sucked into the container through the air filter PI01 manual valve MV04, the volume can be expanded by 3-10 times according to the vacuum setting of the container, resulting in the decrease of the relative humidity.The vacuum of the container causes the dissolved gas and other gases in the oil to escape and be pumped out of the vessel.At any time, if the vessel vacuum drops to -0.45bar, the system will shut down. This setting can be modified by the customer according to the specific application to obtain the best efficiency.

              The oil settled at the bottom of the vessel is pumped out by the outlet pump P02, and then leaves the oil purifier after passing through the outlet filter FL02, check valve CV01 and outlet isolation valve MV02.

              Dimensions of VKCP oil purifier:

              Viking Vacuum Oil Filtration System for Oil Recycling




              Technical parameters:
               Viking Vacuum Oil Filtration System for Oil Recycling

              All Similar Purifier:
               



              Viking Vacuum Oil Filtration System for Oil RecyclingViking Vacuum Oil Filtration System for Oil Recycling
               

              Related Category

              Send Inquiry

              Please Feel free to give your inquiry in the form below. We will reply you in 24 hours.
              Click Refresh verification code

              Leave Your Message

              • Click Refresh verification code